Khoảng thời gian gần đây, Thang máy LuxHome nhận được không ít thắc mắc của khách hàng về các loại kích thước thang máy gia đình. Vì vậy trong bài viết dưới đây, chúng tôi sẽ tổng hợp những kích thước thang máy gia đình thông dụng nhất hiện nay để khách hàng lựa chọn sao cho phù hợp với nhu cầu cá nhân cũng như kích thước ngôi nhà.
Kích thước thang máy gia đình liên quan đến mức tải trọng của thang máy. Mỗi hãng sản xuất thang máy sẽ có những kích thước tiêu chuẩn khác nhau, tuy nhiên sự chênh lệch là không đáng kể. Một số loại tải trọng phổ biến trong lắp đặt thang máy gia đình như 200kg, 250kg, 300kg, 350kg, 450kg sẽ được Thang máy LuxHome giới thiệu kích thước chi tiết trong bài viết này. Lưu ý các thông số mà chúng tôi cung cấp cũng như trên catalog của tất cả các hãng thang máy luôn là kích thước thông thủy (trong lòng).
1. Thang máy gia đình kích thước 200kg
Thang máy tải trọng 200kg hiện đang là loại thang máy nhỏ nhất dùng trong gia đình, hay còn được gọi là thang máy gia đình mini. Loại thang máy này sẽ có tải trọng từ 1-3 người, rất phù hợp với những ngôi nhà nhỏ hẹp nhưng cao. Ưu điểm của loại này là nhỏ gọn, giá cả phả chăng, tiết kiệm điện năng, dễ dàng thi công lắp đặt.
Thông số chi tiết của thang máy 200kg, có 2 cánh cửa mở ra 2 bên và tim ở giữa như sau:
- Kích thước hố thang: rộng 1300mm x sâu 1100mm
- Kích thước cabin: rộng 900mm x sâu 600mm x cao 2200mm
- Kích thước cửa: rộng 600mm x cao 2100mm

Kích thước thang máy gia đình 200kg
2. Thang máy gia đình kích thước 250kg
Thang máy gia đình 250kg sẽ lớn hơn thang máy 200kg một chút, với đặc điểm nhỏ gọn và thường được sử dụng cho những căn nhà có diện tích dưới 70m2. Kích thước thang máy gia đình 250kg phụ thuộc vào việc sử dụng đối trọng sau hay đối trọng hông. Nếu sử dụng thang máy đối trọng hông sẽ có cửa thang máy rộng hơn loại đối trọng sau.
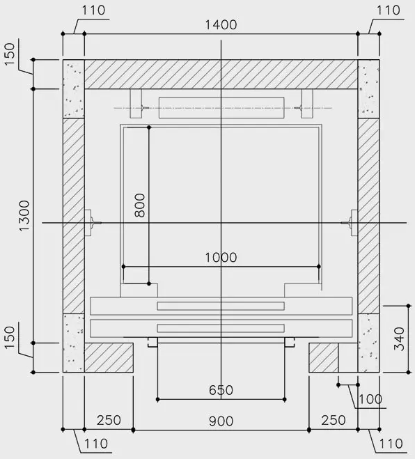
Thông số kích thước thang máy gia đình 250kg sử dụng đối trọng sau, loại cửa 2 cánh mở tim về 2 phía:
- Kích thước hố thang: rộng 1400mm x sâu 1300mm
- Kích thước cabin: rộng 1000mm x sâu 800mm x cao 2200mm
- Kích thước cửa: rộng 650mm x cao 2100mm

Kích thước thang máy gia đình 250kg sử dụng đối trọng sau
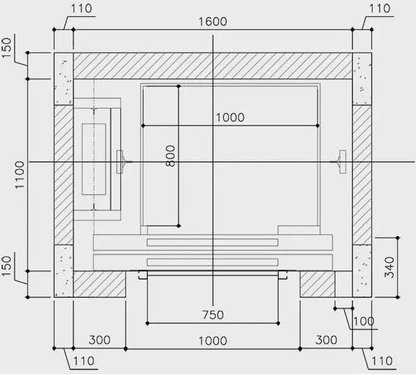
Thông số kích thước thang máy gia đình 250kg sử dụng đối trọng hông, loại cửa 2 cánh mở tim về 2 phía:
- Kích thước hố thang: rộng 1600mm x sâu 1100mm
- Kích thước cabin: rộng 1000mm x sâu 800mm x cao 2200mm
- Kích thước cửa: rộng 750mm x cao 2100mm

Thang máy gia đình 250kg sử dụng đối trọng hông có cửa rộng hơn
3. Thang máy gia đình kích thước 300kg
Thang máy 300kg cũng có 2 loại là đối trọng sau và đối trọng hông. Đây là một trong những dòng thang máy phổ biến trong sản xuất liên doanh và cả nhập khẩu. Kích thước thang máy gia đình 300kg thích hợp với những gia đình có 4-5 thành viên sinh sống trong không gian hạn chế như nhà phố, nhà cải tạo, nhà ống…
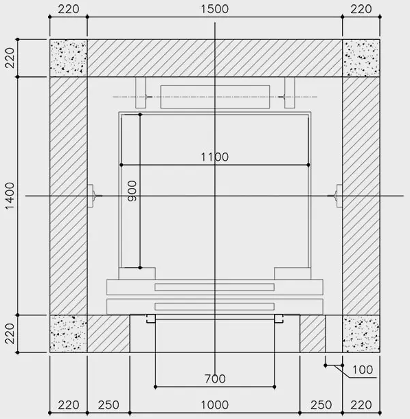
Thông số kích thước thang máy gia đình 300kg sử dụng đối trọng sau, loại cửa 2 cánh mở tim về 2 phía:
- Kích thước hố thang: rộng 1500mm x sâu 1400mm
- Kích thước cabin: rộng 1100mm x sâu 900mm x cao 2200mm
- Kích thước cửa: rộng 700mm x cao 2100mm

Thông số kích thước thang máy gia đình 300kg sử dụng đối trọng sau
Thông số kích thước thang máy gia đình 300kg sử dụng đối trọng hông, loại cửa 2 cánh mở tim về 2 phía:
- Kích thước hố thang: rộng 1700mm x sâu 1200mm
- Kích thước cabin: rộng 1100mm x sâu 900mm x cao 2200mm
- Kích thước cửa: rộng 800mm x cao 2100mm

Thông số kích thước thang máy gia đình 300kg sử dụng đối trọng hông
4. Kích thước thang máy gia đình 350kg
Thang máy gia đình 350kg sử dụng cho gia đình 5-6 thành viên. Đây là loại thang máy gia đình phổ biến nhất, không chỉ thường được sử dụng trong hộ gia đình mà còn dùng cho các tòa nhà nhỏ, chung cư mini…
Do hố thang của loại thang máy gia đình 350kg này vuông nên việc lắp đặt, sử dụng đối trọng sau là hợp lý nhất. Nếu cần tối ưu kích thước hố thang hơn nữa hoặc lắp đặt thang máy gia đình bằng kính thì có thể lựa chọn phương án dựng hố thang bằng khung thép.
Thông số kích thước thang máy gia đình 350kg:
- Kích thước hố thang: rộng 1500mm x sâu 1500mm
- Kích thước cabin: rộng 1100mm x sâu 1000mm x cao 2200mm
- Kích thước cửa: rộng 700mm x cao 2100m

Kích thước thang máy gia đình 350kg
5. Thang máy gia đình kích thước 450kg
Thang máy gia đình 450kg có thể tải được 6-7 người. Loại này chủ yếu được sử dụng trọng các tòa nhà văn phòng, chung cư mini, khách sạn nhỏ. Tuy nhiên vẫn có hộ gia đình sử dụng thang máy 450kg trong trường hợp có diện tích xây dựng rộng, đông người ở, có yêu cầu đặc biệt như thường xuyên chở đồ cồng kềnh, có người khuyết tật phải dùng xe lăn…
Loại thang máy này có 3 phương án thiết kế: sử dụng đối trọng sau – hố rộng, sử dụng đối trọng sau – hố hẹp và sử dụng đối trọng hông. Thang máy hố hẹp được thiết kế để phù hợp với những công trình có chiều rộng hố thang hạn chế, còn chiều sâu lại thoải mái hơn. Thông số kích thước của từng loại cụ thể như sau:
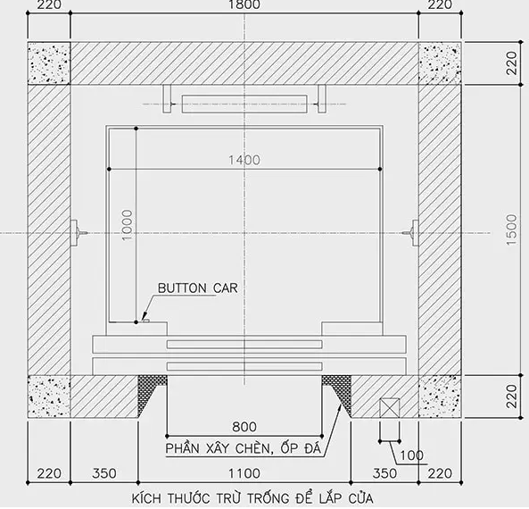
Thông số kích thước thang máy gia đình 450kg sử dụng đối trọng sâu, hố rộng:
- Kích thước hố thang: rộng 1800mm x sâu 1500mm
- Kích thước cabin: rộng 1400mm x sâu 1000mm x cao 2200mm
- Kích thước cửa: rộng 800mm x cao 2100m

Kích thước thang máy gia đình 450kg sử dụng đối trọng sâu, hố rộng
Thông số kích thước thang máy gia đình 450kg sử dụng đối trọng sâu, hố hẹp:
- Kích thước hố thang: rộng 1500mm x sâu 1800mm
- Kích thước cabin: rộng 1100mm x sâu 1300mm x cao 2200mm
- Kích thước cửa: rộng 700mm x cao 2100m

Kích thước thang máy gia đình 450kg sử dụng đối trọng sâu, hố hẹp
Thông số kích thước thang máy gia đình 450kg sử dụng đối trọng hông:
- Kích thước hố thang: rộng 2000mm x sâu 1300mm
- Kích thước cabin: rộng 1400mm x sâu 1000mm x cao 2200mm
- Kích thước cửa: rộng 800mm x cao 2100m

Kích thước thang máy gia đình 450kg sử dụng đối trọng hông
Trên đây là thông số kích thước của một số loại thang máy gia đình thông dụng, khách hàng cần nắm được để lựa chọn phương án lắp đặt thang máy phù hợp với hoàn cảnh gia đình. Một điều nữa cần lưu ý là việc lựa chọn giữa thang máy nhập khẩu nguyên chiếc với thang máy liên hoanh. Thang nhập khẩu nguyên chiếc đòi hỏi khi xây dựng cần tuân thủ đúng yêu cầu thì mới lắp đặt được, còn các loại thang liên doanh có thể linh hoạt kích thước bởi vì cabin thang máy có thể sản xuất trong nước theo kích thước thực tế của hố thang.
Nếu khách hàng còn thắc mắc cần tư vấn, giải đáp về kích thước thang máy gia đình, hãy liên hệ với Thang máy LuxHome thông qua đường dây nóng 0963 285 987. Xin cảm ơn!
